HOME  | PRODUCTS  | COMPANY  | TECHNICAL DOCS  | CONTACT US 
USA/Canada: +1 (248) 436-8085

Introduction

Prizmatix UHP-M Dual-LED light engine is designed to substitute the Metal-Halide and Mercury lamps in routine fluorescence microscopy applications. Combining an Ultra-High-Power Broadband White LED (>55 Watt) and a High-Power UV LED (>10 Watt) it offers extremely high power for most popular fluorescent dyes.
Totally self-contained with all necessary driver electronics and thermal management built in and no moving parts the UHP-M offer superior illumination, simple integration and advanced features. No special controller box is required to operate the light-engine if used at maximum power. Besides standard TTL and analog inputs, the optional digital console and USB-Interfaces enable a full range of control configurations ( see below )

Multi-Wavelength Fiber-Coupled Light-Engine
Click to enlarge

UHP-M-UV Visible White Dual LED

 UHP-M-UV-Visible

 UHP-M-UV-Visible Illuminator User Manual



Key Features:

  • Uniform Illumination from a single large chip Ultra High Power White LED. No diffuser needed as with LED arrays
  • Uniform UV illumination from single High Power UV LED
  • Optically Isolated fast TTL and Analog Inputs for each channel
  • Low optical noise, No Shutter needed
  • Large heatsink for fan free thermal management
  • Optional Console enables convenient power adjustment
  • Each LED has independent adjustable focus
  • Easy integration with popular software packages like uManager, LabView, Matlab etc. via optional USB
    or RS-232 Interface
  • Long life (no lamp replacement required)
UHP-M
UHP-M-USB-Interface
Optional items:        
A: Remote controller
B:  USB-interface     




Optical Specifications

Product P/N Total Power [mW] Normalized Value [a.u.] Bandwidth Power[mW]


Center [nm] Width [nm]

a.u.
μW/nm
Wavelength (nm)  





Electrical Specifications:

Digital modulation (TTL input) Hz DC-20000
Analog modulation (Analog input) Hz DC-100
Analog power control % 0-100
Digital power control Bit 12
Input Voltage V 12
Power Adaptor Safety  

General Specifications:

Operation temperature range 0C 10-35
Storage temperature range 0C -10-55
Operating relative humidity (Non condensing) % <90
Dimensions See drawing below
Illuminator weight g 750


System Configurations

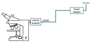
The UHP-M-DualLED illuminator and its control units (UHP-M-Console and UHP-M-USB) can be assembled on microscope in several various configurations as described in following figures.

Configuration A:
Basic On/Off - mimics the standard Mercury or Metal-Halide lamp.
UHP-M
Configuration B:
Additionally, to configuration A: optional camera synchronization by connecting the camera's Trigger out signal to UHP-M TTL input.
UHP-M
Configuration C:
Additionally, to configuration B: UHP-M power is manually controllable by wired console.
UHP-M
Configuration D:
Additionally, to configuration B,: UHP-M power can be controlled by a Win software via USB or RS-232.
UHP-M
Configuration E:
UHP-M power can be controlled either by software or manually. The latest change will take over the LED control.
UHP-M



Mechanical Drawings

UHP-M main body

UHP-M main body


UHP-M main body

UHP-M-Console (left) and UHP-M-USB (right) control units



Ordering Information

Item Description P/N
UHP-M UV (365nm) + White LED Illuminator for Fluorescence Microscopy (power adaptor included) UHP-M-365-White
UHP-M UV (385nm) + White LED Illuminator for Fluorescence Microscopy (power adaptor included) UHP-M-385-White
UHP-M UV (405nm) + White LED Illuminator for Fluorescence Microscopy (power adaptor included) UHP-M-405-White
Microscope adaptor for UHP-M illuminator Please specify N for Nikon / O for Olympus / Z for Zeiss / L for Leica microscope type Mic-ADPT-Type
(Type = N / O / Z / L)
Console control unit for manual control of the illuminator (cable included) UHP-M-Console
USB interface to control UHP-M from Windows software, uManager etc. Serial, LabVIEW, Arduino example control code is available. (cables included) UHP-M-USB
RS-232 interface to control UHP-M from Windows software, uManager etc. Serial, LabVIEW, Arduino example control code is available. (cables included) UHP-M-RS-232

© Prizmatix,  Israel